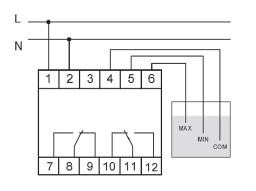
Реле контроля уровня серии "PZ"
Монтаж на DIN-рейку.
Предназначено для контроля и поддержания заданного уровня токопроводящих жидкостей в резервуарах, бассейнах, водонапорных башнях и т.п. и управления электродвигателями насосных установок.
При включении питания реле входит в рабочий режим через 2 секунды. Клеммы подключения датчиков гальванически изолированы от цепей питания. В зависимости от жидкости, в которую помещается датчик, изменяется чувствительность входных каскадов автомата. Для нормальной работы, после монтажа, следует отрегулировать чувствительность при помощи регуляторов на лицевой панели («100» - увеличение, «1» - уменьшение).
Датчики в комплекте. Возможно удлинение провода подключения датчиков до 50 метров.
Особенности реле уровня PZ-829:
максимальный ток нагрузки - 2х16 А;
контакты - 2NO/NC;
Характеристики
Количество входов для электродов | 3 |
Физический принцип измерения | Проводящий |
Глубина | 65 мм |
Устанавливаемый порог срабатывания | Да |
Номинальное напряжение питания цепи управления Us перемен. тока АС при 50 Гц с | 230 В |
Номинальное напряжение питания цепи управления Us перемен. тока АС при 50 Гц по | 230 В |
Максимально допустимое время задержки | 10 с |
Минимальное регулируемое время задержки | .5 с |
Род тока включения | Переменный ток (AC) |
Количество переключающих контактов | 2 |
Габариты | 0.121 × 0.107 × 0.071 м |
Высота | 90 мм |
Ширина | 52.5 мм |





















































