Реле контроля фаз серии "CKF"
Монтаж на DIN-рейку.
Предназначено для защиты электродвигателей и электроустановок, питаемых от трехфазной сети в случаях: отсутствия хотя бы одной из фаз, асимметрии напряжения, повышения/снижения напряжения, слипания и нарушения чередования фаз, обрыва нулевого провода.
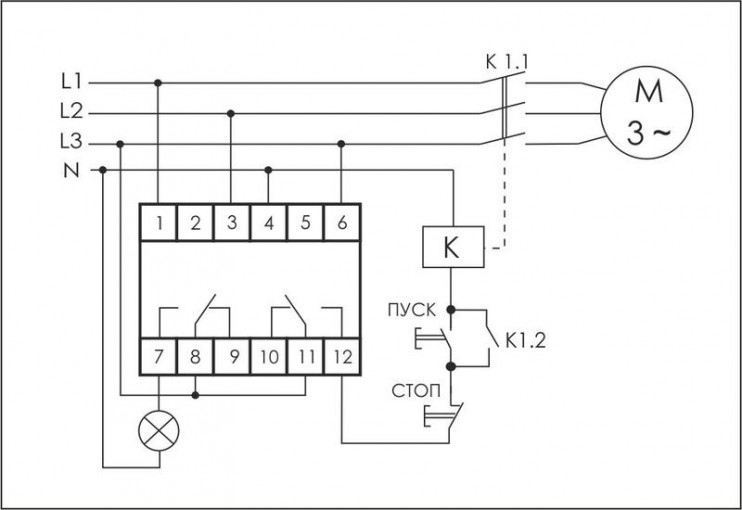
Принцип работы
Если напряжение в пределах нормы, контакты исполнительного реле замкнуты и на контактор управления электродвигателем подается напряжение, управляющее его включением. В случае одной из вышеперечисленных аварийных ситуаций контакты реле размыкаются и контактор отключается. Включение происходит автоматически после восстановления сетевого напряжения питания.
Особенности:
контроль наличия фаз;
контроль асимметрии между фазами;
контроль нижнего значения напряжения;
контроль верхнего значения напряжения;
контроль слипания и чередования фаз;
защита от обрыва нулевого провода;
4 режима работы;
напряжение питания 3x230+N В AC;
контакт - 2NO/NC (8 А).
Характеристики
Функция контроля порядка чередования фаз | Да |
Функция обнаружения обрыва фазы | Да |
Функция обнаружения пониженного напряжения | Да |
Функция обнаружения перенапряжения | Да |
Функция обнаружения асимметрии фаз | Да |
Глубина | 65 мм |
Диапазон измерения напряжения с | 150 В |
Диапазон измерения напряжения по | 280 В |
Количество переключающих контактов | 2 |
Габариты | 0.095 × 0.095 × 0.02 м |
Высота | 90 мм |
Ширина | 18 мм |

















































